| 用途及使用范围: |
| ZN73S-24型户内高压交流真空断路器适用于额定电压24kV,三相交流50Hz的户内配电设备。主要用来开断和关合线路中的负荷电流、过载电流及短路电流,起控制和保护作用,是中置式开关柜的主要开关元件。用于变电站、企业及工矿企业配电系统中作保护和控制,适用于农村电网及频繁操作的场所,特别适用于城网、农网改造的需要。 |
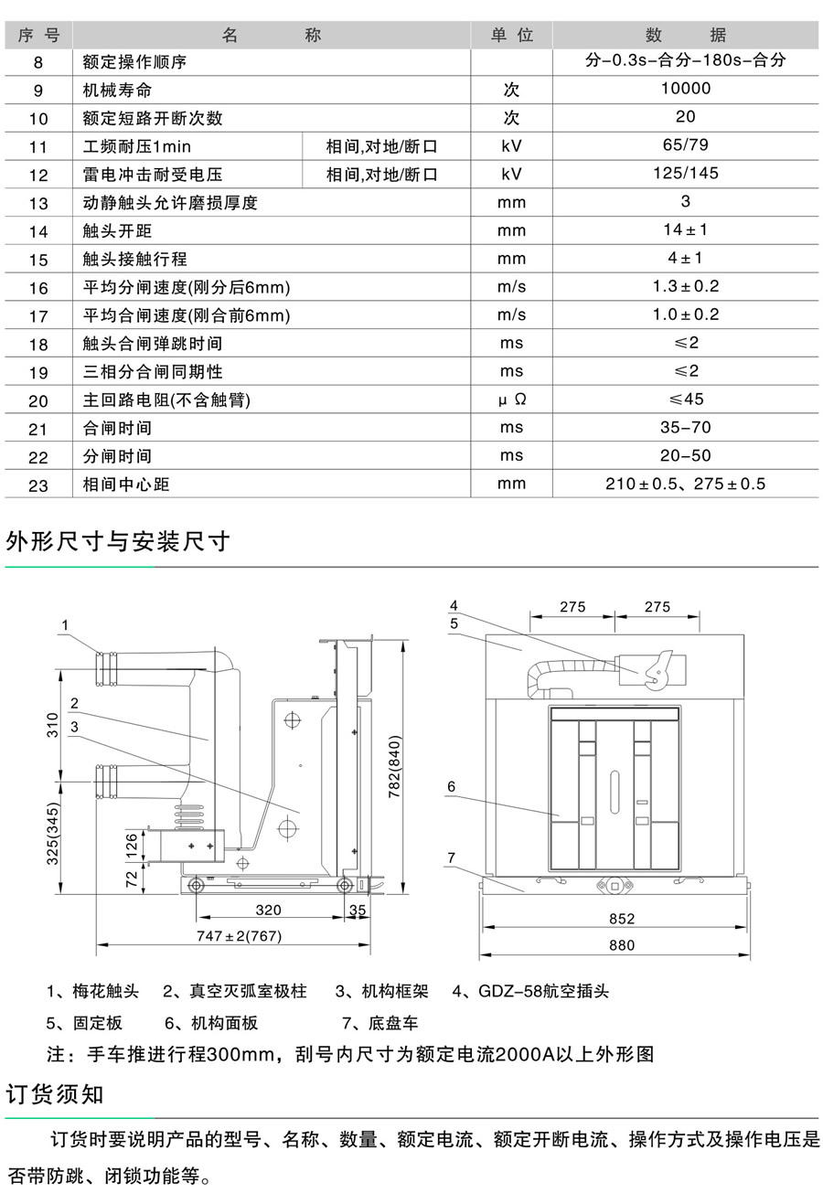
产品详细资料(注:产品资料来源于原生产厂家,仅供参考,如有疑问请与我们或者生产厂家核实确认,尤其是开孔尺寸与技术参数等重要参数,为了避免产品技术更新或升级有变动给您带来不必要的损失,谢谢配合!)

户内固封式高压真空断路器ZN73S-24/1250-25











