跳过内容
咨询电话:13818244503|sh@shanhehairong.com
阿里旺旺沟通阿里旺旺沟通QQ交流QQ交流微信公众号:shanhehairong微信公众号:shanhehairong上海山合海融微博上海山合海融微博微信号:sh51082245微信号:sh51082245手机浏览直接拨打电话手机浏览直接拨打电话
上海山合海融商贸有限公司 Logo 上海山合海融商贸有限公司 Logo 上海山合海融商贸有限公司 Logo
  • 首页
  • 美国进口产品
    • 美国凯能五金工具
      • 螺丝刀
      • 拉缆夹
      • 六角扳手
      • 电动工具
      • 钳类工具
      • 绝缘工具
      • 扳手类工具
      • 工具包和配件
      • 断线钳 电缆剪
      • 钣金 锤凿工具
      • 个人防护与安全
      • 导管 重工业工具
      • 水平仪与测量工具
      • 电信 连接 工具套件
    • 美国KUDOS工具
      • 液压泵
      • 液压钳
      • 液压钳头
      • 手动工具
      • 液压切刀
      • 液压切刀头
      • 钢管弯曲机
      • 液压冲孔机
      • 液压电动工具
      • 液压法兰扩张器
      • 液压螺母破碎机
      • 钢筋切断机 弯曲机
    • 美国salisbury安全工具
      • 救援钩棒
      • 绝缘毯及附件
      • 电绝缘鞋、靴
      • 防电弧面屏套件
      • 绝缘手套和护袖
      • 防电弧产品及套件
      • 电压探测器 验电器
      • 头面部电弧防护产品
      • 绝缘塑料套管和护罩
    • 美国hastings安全产品
      • 车载附件
      • 遮蔽罩 护罩
      • 操作杆及附件
      • 测试仪器仪表
      • 索具及起重设备
      • 护理和保养产品
      • 接地和跳线设备
      • 导体和人员支撑
      • 绝缘操作杆和切刀
    • 美国霍尼韦尔安全产品
      • 头部防护系列
      • 消防救援系列
      • 手部防护系列
      • 听力防护系列
      • 呼吸防护系列
      • 身体防护系列
      • 坠落防护系列
      • 足部防护系列
      • 眼脸部防护系列
    • 美国TSI测试仪器
      • Alnor仪器
      • Airflow仪器
      • 粒子计数器
      • 环境监测仪
      • 气溶胶类产品
      • 通风测试仪器
      • 分析仪类产品
      • 流量测量系统
    • 美国HDE仪器仪表
      • 测试仪
      • 数显电压表
      • 无线核相仪
      • 非接触式验电器
      • 多功能数显电压表
      • 避雷器泄露电流测试仪
    • 美国vanguard仪器
      • 断路器测试仪
      • 变压器测试仪
      • 其他测试仪及附件
      • 电流互感器测试仪
      • 多功能继电保护测试仪
    • 美国高压电力仪器
      • 直流耐压系列
      • 其它高压测试设备
      • VLF低频耐压系列
      • 便携 场地交流耐压
      • 电缆故障诊断系列
    • 美国RIPLEY锐剥利工具
    • 美国Tekton工具
    • 美国ETS-lindgren场强仪
  • 亚洲进口产品
    • 台湾SEW仪器仪表
      • 钩表
      • 检相计
      • 三用电表
      • 其他仪表
      • 绝缘测试计
      • 数字回路检测计
      • 数字绝缘检测计
      • 漏电断路器检测计
      • 缆线追踪及局域网检测
      • 高电压检测
      • 接地电阻计
    • 日本YS绝缘产品
      • 绝缘裤
      • 绝缘袖套
      • 绝缘靴
      • 绝缘衣
      • 绝缘安全帽
      • 防电弧产品
      • 橡胶 聚乙烯绝缘管
      • 绝缘手套 防护手套
      • 橡胶绝缘毯 绝缘垫
      • 树脂绝缘毯 绝缘包毯
    • 日本IZUMI工具
      • 泉精器液压泵
      • 压力测试仪表
      • 泉精器液压切刀
      • 液压冲孔机 折弯机
      • 泉精器液压压接钳
      • 锂电池工具及其他
    • 日本FUJII DENKO产品
      • 立柱安全带
      • 林业安全带
      • 线路施工设备
      • 线束式安全带
      • 皮带式安全带
      • 防坠落救援装备
    • 日本长谷川检电仪器
      • 高压检电器
      • 铁路用检电器
      • 中低压检电器
      • 检相器及其他
      • 检电器检测仪
      • 活线近电报警器
    • 日本Ikura tools工具
      • 绞磨机
      • 放线架
      • 金属滑轮
      • 电缆牵引机
      • 角钢加工机
      • 钢筋弯管切割冲孔机
    • 梅思安个人安防产品
      • 梅思安消防装备
      • 梅思安设备仪表
      • 梅思安坠落防护
      • 梅思安呼吸防护
      • 梅思安头部防护
    • 代尔塔个人安防产品
      • 代尔塔坠落防护
      • 代尔塔身体防护
      • 代尔塔足部防护
      • 代尔塔手部防护
      • 代尔塔呼吸防护
      • 代尔塔眼部防护
    • 3M个人安防产品
      • 3M呼吸防护
      • 3M身体防护
      • 3M听力防护
      • 3M眼面部防护
    • 日本渡部工业安全产品
      • 绝缘手套 绝缘靴
      • 绝缘毯和防护具
      • 绝缘衣裤
    • 日本NGK工具
  • 欧美进口产品
    • 西班牙LIFASA产品
      • 低压附件
      • 低压电抗器
      • 低压电力电容器
      • 无功功率控制器
      • 低压电容器柜组
      • 高压冲击电抗器
      • 高压电力电容器
      • 高压电容器柜组
      • 高压无功控制器
      • 照明电容器
      • 电机电容器
      • 保护滤波器
      • 谐波滤波器
    • 德国金钟默勒低压工控产品
      • 空气断路器
      • 自动化产品
      • 塑壳断路器
      • MATS双电源开关
      • 驱动产品及其他
      • 主令和控制产品
      • 低压终端配电产品
      • 电动机起动和保护产品
    • 德国柯劳克工具
      • 手工具
      • 新一代产品
      • 压接和剪切工具
    • Metrel 美翠仪器仪表
      • 微欧计
      • 万用表
      • 综合测试仪
      • 电力分析仪
      • 电阻测试仪
    • 德国Novopress工具
      • 液压压接工具
      • 母线加工工具
      • 管道连接工具
    • 意大利intercable工具
      • intercable剥线工具
      • intercable液压工具
      • intercable手动工具
    • 英国Tinsley仪器
      • 电缆测试仪
      • 精密测量仪器
      • 便携测量仪器
    • 英国KARAM防护产品
      • Karam安全带
      • Karam坠落防护产品
    • 英国micronics流量计
    • 加拿大greyline流量计
  • 国产产品
    • 上海人民电器厂
      • 交流接触器
      • 小型断路器
      • 电动机软起动器
      • 高压真空断路器
      • 塑料外壳式断路器
      • 双电源自动转换开关
      • T系列热过载继电器
      • 剩余电流塑壳断路器
      • 智能型万能式断路器
    • 国产安全防护
      • 接地线
      • 放电棒
      • 绝缘毯
      • 操作杆
      • 绝缘靴
      • 绝缘手套
      • 拖线盘
      • 验电器
      • 其他电力安全工具
    • 自有品牌产品
      • 过电压在线监测仪
      • SHPB过电压保护器
    • 国产低压电器
    • 国产高压电器
    • 其他国产产品
  • 关于我们
  • 联系我们
  • 首页
  • 关于我们
  • 美国品牌产品
    • 美国KUDOS工具
      • 液压泵
      • 液压钳
      • 手动工具
      • 液压切刀
      • 液压钳头
      • 液压切刀头
      • 液压冲孔机
      • 钢管弯曲机
      • 液压电动工具
      • 液压螺母破碎机
      • 液压法兰扩张器
      • 钢筋切断机 弯曲机
    • 美国凯能五金工具
      • 拉缆夹
      • 螺丝刀
      • 电动工具
      • 绝缘工具
      • 钳类工具
      • 六角扳手
      • 扳手类工具
      • 工具包和配件
      • 钣金 锤凿工具
      • 个人防护与安全
      • 水平仪与测量工具
      • 导管 重工业工具
      • 断线钳 电缆剪
      • 电信 连接 工具套件
    • 美国salisbury安全工具
      • 救援钩棒
      • 电绝缘鞋、靴
      • 绝缘毯及附件
      • 绝缘手套和护袖
      • 防电弧面屏套件
      • 防电弧产品及套件
      • 电压探测器 验电器
      • 绝缘塑料套管和护罩
      • 头面部电弧防护产品
    • 美国hastings安全产品
      • 车载附件
      • 美国hastings绝缘操作杆及附件产品
      • 遮蔽罩 护罩
      • 测试仪器仪表
      • 护理和保养产品
      • 导体和人员支撑
      • 索具及起重设备
      • 接地和跳线设备
      • 绝缘操作杆和切刀
    • 美国霍尼韦尔安全产品
      • 呼吸防护系列
      • 听力防护系列
      • 坠落防护系列
      • 消防救援系列
      • 手部防护系列
      • 身体防护系列
      • 头部防护系列
      • 足部防护系列
      • 眼脸部防护系列
    • 美国HDE仪器仪表
      • 测试仪
      • 数显电压表
      • 无线核相仪
      • 非接触式验电器
      • 多功能数显电压表
      • 避雷器泄露电流测试仪
    • 美国高压电力仪器
      • 直流耐压系列
      • VLF低频耐压系列
      • 电缆故障诊断系列
      • 便携 场地交流耐压
      • 其它高压测试设备
    • 美国vanguard仪器
      • 断路器测试仪
      • 变压器测试仪
      • 电流互感器测试仪
      • 其他测试仪及附件
      • 多功能继电保护测试仪
    • 美国TSI测试仪器
      • 环境监测仪
      • 气溶胶类产品
      • 分析仪类产品
      • 流量测量系统
      • 通风测试仪器
      • Alnor仪器
      • 粒子计数器
      • Airflow仪器
    • 美国ETS-lindgren场强仪
    • 美国RIPLEY工具
  • 进口产品
    • 台湾SEW仪器仪表
      • 钩表
      • 检相计
      • 三用电表
      • 其他仪表
      • 绝缘测试计
      • 高电压检测
      • 接地电阻计
      • 数字绝缘检测计
      • 数字回路检测计
      • 漏电断路器检测计
      • 缆线追踪及局域网检测
    • 日本YS绝缘产品
      • 绝缘衣
      • 绝缘裤
      • 绝缘靴
      • 绝缘袖套
      • 绝缘安全帽
      • 防电弧产品
      • 绝缘手套 防护手套
      • 橡胶绝缘毯 绝缘垫
      • 橡胶 聚乙烯绝缘管
      • 树脂绝缘毯 绝缘包毯
    • 德国柯劳克工具
      • 手工具
      • 压接模
      • 加工工具
      • 新一代产品
      • 核电用产品
      • 压接和剪切工具
    • 德国金钟默勒产品
      • 驱动产品及其他
      • 自动化产品
      • 塑壳断路器
      • 空气断路器
      • 主令和控制产品
      • MATS双电源开关
      • 低压终端配电产品
      • 电动机起动和保护产品
    • Metrel美翠仪器仪表
      • 万用表
      • 微欧计
      • 电阻测试仪
      • 综合测试仪
      • 电力分析仪
    • 日本长谷川检电仪器
      • 高压检电器
      • 中低压检电器
      • 核相器及其他
      • 检电器检测仪
      • 铁路用检电器
      • 活线近电报警器
    • 西班牙LIFASA产品
      • 低压无功电能
        • 低压电力电容器
        • 低压电容器柜组
        • 无功功率控制器
        • 低压电抗器
        • 低压附件
      • 高压无功电能
        • 高压电力电容器
        • 高压电容器柜组
        • 高压无功控制器
        • 高压冲击电抗器
      • 照明和电机电容器
        • 照明电容器
        • 电机电容器
      • 有源滤波器
        • 保护滤波器
        • 谐波滤波器
      • 电力电子电容器
    • 日本IZUMI工具
      • 泉精器液压压接钳
      • 泉精器液压切刀
      • 泉精器液压泵
      • 压力测试仪表
      • 锂电池工具及其他
      • 液压冲孔机 折弯机
    • 日本Ikura tools工具
      • 绞磨机
      • 放线架
      • 金属滑轮
      • 角钢加工机
      • 电缆牵引机
      • 钢筋弯管切割冲孔机
    • 日本FUJII DENKO产品
      • 立柱安全带
      • 林业安全带
      • 线束式安全带
      • 皮带式安全带
      • 线路施工设备
      • 防坠落救援装备
    • 德国Novopress工具
      • 管道连接工具
      • 母线加工工具
      • 液压压接工具
    • 英国Tinsley仪器
      • 电缆测试仪
      • 精密测量仪器
      • 便携测量仪器
    • 其他进口产品
      • 日本NGK工具
      • 意大利intercable工具
        • intercable手动工具
        • intercable剥线工具
        • intercable液压工具
      • 英国KARAM防护产品
        • Karam安全带
        • Karam坠落防护产品
      • 加拿大greyline流量计
      • 英国micronics流量计
  • 国产产品
    • 国产低压电器
      • 按钮
      • 熔断器
      • 控制器
      • 变压器
      • 断路器
      • 变阻器
      • 信号灯
      • 互感器
      • 接触器
      • 电容器
      • 过电压保护器
      • 万能转换开关
      • 照明箱 配电箱
    • 国产低压电器
      • 电铃
      • 调压器
      • 稳压器
      • 避雷器
      • 起动器
      • 电度表
      • 继电器
      • 电磁铁
      • 隔离开关
      • 组合开关
      • 行程开关
      • 电流电压表
      • 电机保护器
    • 上海人民电器厂
      • 交流接触器
      • 小型断路器
      • 电动机软起动器
      • 高压真空断路器
      • T系列热过载继电器
      • 剩余电流塑壳断路器
      • 智能型万能式断路器
      • 双电源自动转换开关
    • 国产安全防护
      • 接地线
      • 绝缘毯
      • 操作杆
      • 验电器
      • 绝缘靴
      • 拖线盘
      • 放电棒
      • 绝缘手套
      • 其他电力安全工具
    • 国产高压电器
      • 高压避雷器
      • 真空断路器
      • 高压负荷开关
      • 高压隔离开关
    • 自有品牌产品
      • SHPB过电压保护器
      • 过电压在线监测仪
    • 其他国产产品
  • 样本下载
  • 联系我们
  • 网站首页
  • 关于我们
  • 产品列表
  • 联系我们
  • LIFASA电容器

SHPB-D-110电缆保护器过压保护器

  1. 主页
  2. 国产产品
  3. 自有品牌产品
  4. SHPB过电压保护器
  5. SHPB-D-110电缆保护器过压保护器
SHPB-D-110电缆保护器过压保护器2019-01-14T19:02:54+08:00
  • 产品概述

  • 结构及特点

  • 型号说明

  • 产品概述

SHPB三相组合式过电压保护器主要应用于35kV及以下电力系统中,保护母线、变压器、电压互感器、电机及并联补偿电容器等绝缘设备的绝缘,使其免受过雷电过电压和操作过电压的损坏。本系列产品可对相间和相对地的过电压均能起到KK的限制作用。本产品广泛应用于电力、冶金、化工、煤炭、轻工、建材等行业,是保护变压器、开关、母线、电动机及其它电气设备免受大气过电压和操作过电压损害的理想设备。

  • 结构及特点

三项组合式过电压保护器由四只带放电间隙和氧化锌电阻串联的单元组成,如图1-1所示,CG为放电间隙,其中任意三个分别接A,B,C三相,另外一组接地。本保护器结构紧凑、密封严密、外形美观、安装方便、参数设计合理。

主要特点有:

1、? 单元结构采用大容量氧化锌非线性电阻和放电间隙串联形式,使两者互为保护。放电间隙使氧化锌的荷电率为零,氧化锌非线性电阻又使放电间隙动作后立即熄弧,无续流。
放电间隙不再承担灭弧任务,产品动作寿命可提高到106~108C次。

2、? 电压冲击系数为1。在各种电压波形下放电电压均相等。不受各种过电压波性的影响,工频放电电压分散性小,工放稳定,不会误动作。

3、? 得过压保护器的灭弧电压高,陡波系数小,由于传统的过电压保护器,从而提高了产品的使用寿命。是常规避雷器的理想换代产品。

4、? 采用四星形接法,可使过电压保护器的相间过电压保护水平大大提高,相间过电压保护动作值降低了,保护器的可靠性大大提高。

5、? 保护器采用高压硅橡胶外壳和高压硅橡胶电缆引线的结构,产品具有密封性好,体积小,具有很好的绝缘性能,介电强度高,抗电蚀,耐老化,易安装等特点,可直接安装在开关柜的手车底盘上或PT柜上。

6、? 使用环境温度为—40℃-+60℃,海拔高度小于2000m(高于2000m须在订货时加以说明)
7、? 在系统发生间歇性弧光接地过电压及铁磁谐振过电压时,其能量小于400A 2ms方伯冲击能量时,SHPB可以起到保护作用。

  • 型号说明

1.保护对象:A-电机;B-变压器、母线线路、开关;C- 并联补偿电容器;O-电机中性点;D-电缆保护器
2.使用环境:W为户外型,无‘W’只适用于户内;
3.附加功能:“J”动作计数器

  • 规格参数

  • 外形及安装尺寸

  • 试验方法

  • 安装事宜

  • 用户须知

  • 规格参数

1. 用于电机、变压器、开关、母线、线路、电容器等设备过电压保护器。 表一中所列各型保护器相间与相对地有着同样的过电压保护水平。
表一

型号

保护对象

保护器持续运行电压(KV)r.m.s

保护对象额定电压(KV)r.m.s

工频放电电压(不小于)(KV)r.m.s

操作冲击电流残压

1.2/50冲击放电电压及残压

雷电冲击电流残压

2ms方波冲击电流

相间距离

产品高度

图号

(不大于)(KV)crest

标准

允许范围

100A

-

500A

5KA

(A)

(mm)

SHPB-A-3.8F/131

电

机

3.8

3.15

6.2

5.8~7.5

7

7.5

7.5

9

400/
600

131

182

3

SHPB-A-7.6F/131

7.6

6.3

13.8

11.3~16.5

14

15

15

17

SHPB-A-12.7F/131

12.7

10.5

24.2

21.4~27.7

23.1

24.8

24.8

29

197

SHPB-A-13.8F/131

16.7

13.8

34.5

31~41.4

46.8

55

55

?

180

260

?

SHPB-A-15.75

19

15.75

39.3

35.3~47.2

53.3

62.5

62.5

?

240

360

?

SHPB-B-3.8F/131

变
压
器

开
关

母
线

3.8

3

7

6.3~8.4

10.2

12

?

12

400/
600

131

182

3

SHPB-B-7.6F/131

7.6

6

15

13.5~18

20.4

24

?

24

197

SHPB-B-6/W

250

406

5

SHPB-B-12.7F/131

12.7

10

25

22.5~30

33.8

40

?

40

131

197

3

SHPB-B-12.7/W

250

406

5

SHPB-B-42F/310

42

35

75

67~90

105

119

?

119

310

550

4

SHPB-B-42/W

400

1058

6

SHPB-C-3.8F/131

电
容
器

3.8

3

7

6.3~8.4

10.4

?

?

11.7

400/
800

131

182

3

SHPB-C-7.6F/131

7.6

6

15

13.5~18

20.7

?

?

23.4

197

SHPB-C-12.7F/131

12.7

10

25

22.5~30

34.5

?

?

39.1

SHPB-C-42F/310

42

35

75

67~90

105

?

?

119

310

550

4

SHPB-C-42/W

400

1058

6

以下三种型号均为同一种产品,可以根据需要标识在产品上。

类型

型号

型号(/后为相间距离)

型号(/后为残压)

备注

电机型

SHPB1-3.8/9

SHPB-A-3.8F/131SHPB-A-3.8F/9

保护对象
电机

F表示硅橡胶外套

电机型

SHPB1-7.6/17

SHPB-A-7.6F/131SHPB-A-7.6F/17

电机型

SHPB1-12.7/29

SHPB-A-12.7F/131SHPB-A-12.7F/29

电机型

?

SHPB-A-13.8F/131SHPB-A-13.8F/131

电机型

?

SHPB-A-15.75SHPB-A-15.75

电站型

SHPB2-3.8/12

SHPB-B-3.8F/131SHPB-B-3.8F/12

保护对象
变压器
开关
母线
线路

F表示硅橡胶外套

电站型

SHPB2-7.6/24

SHPB-B-7.6F/131SHPB-B-7.6F/24

电站型

?

SHPB-B-6/W(户外)SHPB-B-6/W(户外)

电站型

SHPB2-12.7/38

SHPB-B-12.7F/131SHPB-B-12.7F/38

电站型

?

SHPB-B-12.7/W(户外)SHPB-B-12.7/W(户外)

电站型

SHPB2-42/120

SHPB-B-42F/310SHPB-B-42F/120

电站型

?

SHPB-B-42/W(户外)SHPB-B-42/W(户外)

配电型

SHPB3-3.8/12

SHPB-B-3.8F/131SHPB-B-3.8F/12

配电型

SHPB3-7.6/24

SHPB-B-7.6F/131SHPB-B-7.6F/24

配电型

SHPB3-12.7/38

SHPB-B-12.7F/131SHPB-B-12.7F/38

配电型

SHPB3-42/120

SHPB-B-42F/310SHPB-B-42F/120

电容型

SHPB4-3.8/12

SHPB-C-3.8F/131SHPB-C-3.8F/12

保护对象
电容器

F表示硅橡胶外套

电容型

SHPB4-7.6/24

SHPB-C-7.6F/131SHPB-C-7.6F/24

电容型

SHPB4-12.7/38

SHPB-C-12.7F/131SHPB-C-12.7F/38

电容型

SHPB4-42/120

SHPB-C-42F/310SHPB-C-42F/120

电容型

?

SHPB-C-42/W(户外)SHPB-C-42/W(户外)

2. 电机中性点过压保护器
表二

型 号

保护器持续
运行电压
有效值(KV)

电机额定电压
有效值
(KV)

雷电冲击
电流残压
不大于(KV)

直流1mA
参考电压
不小于(KV)

图号

SHPB-O-2.13

2.13

3.15

6.0

3.4

2

SHPB-O-4.6

4.6

6.3

12.0

6.9

2

SHPB-O-7.6

7.6

10.5

19.0

11.3

2

3. 电缆保护器 (主要用于高压单芯电缆屏蔽层的过电压保护)
表三

型 号

系统额定电压
有效值(KV)

工频耐受电压
有效值(KV/S)

10KA雷电冲击
电流残压
不大于(KV)

直流1mA
参考电压
不小于(KV)

图号

SHPB-D-35

35

5/4

13

6.5

2

SHPB-D-110

110

5/4

15

7.5

2

SHPB-D-220

220

6/3

35

15

2

  • 外形及安装尺寸

外形及安装尺寸(图2、图3、图4)

图(4) SHPB-□-42

  • 试验方法

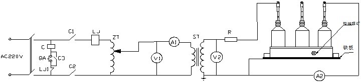
1、试验方法,试验原理接线如图(5)所示:

图(5) 工放试验原理图
V1、V2-电压表 A1-数字电流表 ZT-调压器 ST-试验变压器 LJ-电流继电器 R-限流电阻
a、按原理图将相关仪表和设备连接好。测试前应首先将电流继电器LJ的整定值调至Z小值(作为后备保护),然后将试验变压器空载升压,电流继电器LJ应不动作,将数字电流表A1的量程调至5~20A(5KVA及以下容量试验变压器可不加限流电阻R)。
b、工频试验电压分别加在被测试品的A和D、B和D、C和D、A和C、B和C、以及A和B上,缓慢调高试验变压器的输出电压,同时观察电压表及数字电流表A1,SHPB间隙未击穿放电时,数字电流表A1的读数会随着电压升高而逐渐增大。当试验变压器的输出电压达到SHPB的动作值时,SHPB间隙被击穿放电,数字电流表A1的数值将突增,此时试验变压器的高压输出电压值即为该SHPB的工放值。

2、试验注意事项:

a、用户在做SHPB工放时,应以电流表数值有明显突变时的高压输出电压值,作为SHPB的工放数值;
b、在做工频放电时,当观察到电流表有明显的增大时,要立即将调压器回零,并切断电源。切忌在放电后继续升高电压,以免损坏SHPB及试验变压器;
c、用户在试验时,如果发现其工放值C出表一中的允许范围时,请仔细检查接线是否正确、表计是否准确和调压器炭刷是否接触良好等,如经检查测试数据无误,确已C出允许范围时,请与我公司联系;
d、用户在做其它电气设备绝缘试验时,应将SHPB连接线拆除;
e、试验时,只有内部间隙放电,外围不同部分不得有闪络;
f、本产品每一至二年做一次预防性试验,同时将SHPB外表面灰尘清理干净。

  • 安装事宜

八、安装及注意事项

1、户内型可水平安装在各种不同型号的开关柜的手车底盘内或支撑梁上;
2、带有动作记录仪(IM)的SHPB,先将SHPB本体(安装方式同上)和动作记录仪(嵌入式,安装在易观察的地方,外壳须接地)各自固定好后,通过带航空插头的七芯屏蔽电缆相连,安装尺寸详见《SHPB-IM过电压动作记录仪技术说明书》;
3、SHPB在和三相电源(A、B、C)及接地端(D)相连时,须注意以下事项:
⑴电缆外端裸露的连接线鼻子相互之间距离,应满足不同电压等级的不同相带电导体之间保持的Z小安全距离的要求;
⑵SHPB电缆线之间的安全距离及SHPB电缆线与不同相母线(或柜体)之间的安全距离应不小于该型保护器相间距离(应在电缆电缆拉紧状况下);
⑶SHPB高压电缆长度要根据安装位置进行选择,长短要适当,过长时可将该相电缆捆扎固定在同相母排(线)上,严禁将不同相电缆捆扎在一起;
⑷安装时严禁手提电缆.同时要注意避免高压电缆被锐器割破。

  • 用户须知

1.使用的环境温度为-40℃~+60℃,海拔高度小于2000m(高于2000m订货时注明)。
2.户内型SHPB的电缆长度及接线鼻孔径需在订货时注明。
3.在系统发生间歇性弧光接地过电压或铁磁谐振过电压时,有可能导致SHPB的损坏。

想分享本页内容?请选择分享平台→

相关项目

西门子5SY51107CC直流小型断路器 220V DC 10kA,1极,C,10A
西门子5SY51107CC直流小型断路器 220V DC 10kA,1极,C,10A
Gallery

西门子5SY51107CC直流小型断路器 220V DC 10kA,1极,C,10A

2 12 月, 2021
西门子5SY51167CC直流小型断路器 220V DC 10kA,1极,C,16A
西门子5SY51167CC直流小型断路器 220V DC 10kA,1极,C,16A
Gallery

西门子5SY51167CC直流小型断路器 220V DC 10kA,1极,C,16A

2 12 月, 2021
西门子5SY51637CC直流小型断路器 220V DC 10kA,1极,C,63A
西门子5SY51637CC直流小型断路器 220V DC 10kA,1极,C,63A
Gallery

西门子5SY51637CC直流小型断路器 220V DC 10kA,1极,C,63A

2 12 月, 2021
西门子5SY51407CC直流小型断路器 220V DC 10kA,1极,C,40A
西门子5SY51407CC直流小型断路器 220V DC 10kA,1极,C,40A
Gallery

西门子5SY51407CC直流小型断路器 220V DC 10kA,1极,C,40A

2 12 月, 2021
西门子5SY51507CC直流小型断路器 220V DC 10kA,1极,C,50A
西门子5SY51507CC直流小型断路器 220V DC 10kA,1极,C,50A
Gallery

西门子5SY51507CC直流小型断路器 220V DC 10kA,1极,C,50A

2 12 月, 2021
西门子5SY51207CC直流小型断路器 220V DC 10kA,1极,C,20A
西门子5SY51207CC直流小型断路器 220V DC 10kA,1极,C,20A
Gallery

西门子5SY51207CC直流小型断路器 220V DC 10kA,1极,C,20A

2 12 月, 2021
道路施工红白带 警戒带
道路施工红白带 警戒带
Gallery

道路施工红白带 警戒带

28 8 月, 2019
2059 250A绝缘跳线夹 引流线 3米
2059 250A绝缘跳线夹 引流线 3米
Gallery

2059 250A绝缘跳线夹 引流线 3米

9 7 月, 2019
4370 300A绝缘跳线夹 引流线 3米
4370 300A绝缘跳线夹 引流线 3米
Gallery

4370 300A绝缘跳线夹 引流线 3米

9 7 月, 2019
21060 300A绝缘跳线夹 引流线 3米
21060 300A绝缘跳线夹 引流线 3米
Gallery

21060 300A绝缘跳线夹 引流线 3米

9 7 月, 2019
21300 250A绝缘跳线夹 引流线 3米
21300 250A绝缘跳线夹 引流线 3米
Gallery

21300 250A绝缘跳线夹 引流线 3米

9 7 月, 2019
2757 400A绝缘跳线夹 引流线 3米
2757 400A绝缘跳线夹 引流线 3米
Gallery

2757 400A绝缘跳线夹 引流线 3米

9 7 月, 2019

现货:西班牙LIFASA FML4460电容器

西班牙LIFASA FML4460电容器

西班牙LIFASA FML4460电容器现货可供,支持一台起订。

分类目录

3M个人安防产品 (211) 3M呼吸防护 (110) Metrel 美翠仪器仪表 (82) 代尔塔个人安防产品 (106) 伊顿-德国金钟默勒 (118) 压接和剪切工具 (93) 台湾SEW仪器仪表 (229) 呼吸防护系列 (214) 国产产品 (628) 国产低压电器 (345) 国产安全防护 (140) 坠落防护系列 (148) 导体和人员支撑 (221) 工具包和配件 (156) 德国柯劳克工具 (111) 意大利Intercable工具 (139) 手部防护系列 (320) 扳手类工具 (128) 拉缆夹 (106) 接地和跳线设备 (187) 操作杆附件 (129) 断线钳 电缆剪 (87) 日本FUJII DENKO产品 (227) 日本Ikura tools工具 (81) 日本IZUMI工具 (72) 日本YS绝缘产品 (230) 日本长谷川检电仪器 (71) 水平仪与测量工具 (101) 索具及起重设备 (87) 绝缘手套和护袖 (71) 绝缘操作杆和切刀 (321) 美国hastings安全产品 (1183) 美国KUDOS工具 (255) 美国salisbury安全工具 (241) 美国TSI测试仪器 (161) 美国凯能五金工具 (1259) 美国霍尼韦尔安全产品 (1107) 美国高压HV电力仪器 (76) 英国KARAM防护产品 (75) 螺丝刀类工具 (301) 足部防护系列 (191) 身体防护系列 (88) 车载附件 (164) 进口产品中心 (6408) 钳类工具 (111)

云标签

Your browser doesn't support the HTML5 CANVAS tag.

  • 保护足趾
  • 防刺穿
  • 测试仪
  • 绝缘操作杆
  • 套件
  • 防电弧
  • 螺丝刀
  • 安全鞋
  • 重型
  • 手套
  • 液压
  • 分体式
  • 电绝缘
  • 绝缘手套
  • 防静电
  • 安全带
  • 充电式
  • 拉缆夹
  • 套装
  • 绝缘

标签导航

1.8米 (49) 3英寸 (50) 6英寸 (62) 7kV (50) 8英寸 (51) 17KV (54) 20KV/3min (54) Tripper (58) 便携式 (58) 保护足趾 (169) 充电式 (73) 分体式 (74) 剪枝锯 (47) 功能型 (55) 压接钳 (64) 多功能 (64) 套件 (84) 套装 (97) 安全带 (105) 安全鞋 (191) 干箱 (60) 手动 (58) 手套 (271) 拉缆夹 (78) 氯丁 (48) 油压压接器 (49) 测试仪 (76) 液压 (90) 液压切刀 (62) 液压压接钳 (49) 电动 (66) 电绝缘 (67) 白色 (55) 绝缘 (146) 绝缘手套 (109) 绝缘操作杆 (164) 绝缘毯 (51) 螺丝刀 (262) 重型 (103) 防刺穿 (71) 防割 (60) 防电弧 (87) 防静电 (121) 高压 (62) 黄色 (49)

友情链接

  • 上海山合海融商贸有限公司诚信通网站
  • 上海山合海融商贸有限公司旧版
  • 上海山合海融商贸旧版

点击图片返回首页

联系方式

上海市宝山区陆翔路678弄60号

手机: 13818244503

传真: 021-56889347

邮件: sh@shanhehairong.com

网站: www.shanhehairong.com

简洁分类

  • 进口产品
  • 国产产品
  • 关于我们
山合海融微博
山合海融微博
微信公众号shanhehairong
微信公众号shanhehairong
微信号sh51082245
微信号sh51082245

Copyright 2024 上海山合海融商贸有限公司 | All Rights Reserved。沪ICP备09041411号 | 沪公网安备 31011302004703号 | 企业注册登记信息 |
阿里旺旺沟通阿里旺旺沟通QQ交流QQ交流微信公众号:shanhehairong微信公众号:shanhehairong上海山合海融微博上海山合海融微博微信号:sh51082245微信号:sh51082245手机浏览直接拨打电话手机浏览直接拨打电话
Page load link
返回顶部